高精密机床专业制造商

东莞市中锋智能科技有限公司

全国服务热线:0769-8382 6686    
销售咨询:135 5493 7658
产品导航
产品详情
龙门加工中心LM-1610
分享到:
下一个

龙门加工中心LM-1610

产品详情
型号 LM-1610 产地 东莞
品牌 中锋智能

高刚性硬轨模具加工中心LM-1610

LM-1610中锋智能龙门式加工中心系列产品之一,该加工中心为双立柱龙门固定,工作台移动结构,整体结构紧凑、占地面积小,设计制造符合ISO国际标准。能在一次装夹下完成铣削、镗削、钻削、攻丝等工序。标配10000rpm皮带式主轴,适用于通用机械、汽车、航天航空、仪表、纺织机械等行业中小型机械零件的高速精密加工。针对模具加工,可选配12000rpm直联式主轴。选配数控转台,可实现多面加工。典型应用如模具和板类、盘类、小型壳体类复杂零件的高速精密加工。

中型龙门加工中心.jpg

外观示意图(仅供参考)


LM-1610 系统

配置SIEMENS 828D、PPU280.3数控系统, SINUMERIK 828D强大的数控功能和无与伦比的80位浮点数纳米计算精度(NANOFP)相结合,实现了在最短的加工时间内达到最高的工作加工精度,凭借灵活的数控编程语言和独特的Shopmill工步编程,使其无论在大批量生产中,还是单个零件加工时都表现出最高效的编程和加工能力;含有最最新“Top Surface臻优曲面” (选项)功能的SINUMERIK®MDynamics工艺包,非常适用于模具加工应用。

LM-1610 机床床身及主体结构

机床床身和主体结构采用灰铸铁铸造形式,具有良好的刚性和吸震性。 床身内部布置加强筋,床身结构重。

横向滑台及工作台均为灰铸铁铸造。横向滑台采用超大跨距的结构设计,有效增加机床稳定性。 立柱采用龙门式结构,底面通过刮研配合固定在床身上。立柱内部采用“米”字筋加强结构,其刚度和抗震性好,有效得增加了立柱的刚性,减少因主轴箱导致的前倾。 机床主轴箱采用高强度铸铁,组织结构稳定。主轴箱位于龙门型立柱中间,沿着立柱的导轨在Z坐标方向上上下移动。

LM-1610 进给机构

X/Y/Z轴进给机构采用交流伺服电机,采用无齿隙弹性联轴器与丝杠直联,直接带动滚珠丝杠旋转,实现各轴的往复运动,丝杠支撑采用两端固定预拉伸结构。

LM-1610 导轨

X\Y/Z轴导轨选用上银滚柱P级高精密直线导轨,保证长久稳定的精度。

LM-1610 主轴

选用进口主轴单元,能实现无级变速及主轴正反转,可选带主轴冷却系统,主轴最高转速8000-10000r/min, 最大扭矩300Nm。主轴前端带有气密封,适配BT40/50刀柄。

LM-1610 主轴电机功率及扭矩图如下

1.png

LM-1610 X、Y伺服电机功率及扭矩图如下:

2.png

LM-1610 Z伺服电机功率及扭矩图如下:

3.png

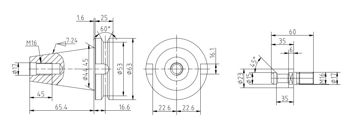
LM-1610 刀柄及拉钉图如下:

4.jpg

刀柄(BT40)                          拉钉(MAS403-P-40T-I(45°)

LM-1610 润滑系统

整机的导轨和丝杠均采用定量加压式集中稀油润滑系统,能够对各润滑点的供油周期和供油量进行调整,并通过电气系统控制实现全自动集中润滑。

LM-1610 冷却系统

主轴可选配主轴冷却系统。 标配刀具冷却系统,大容量的水箱,配备浸入式多级不锈钢离心泵,用于刀具和工件充分冷却,且配置柔性喷嘴。

LM-1610 排屑装置

排屑装置可选择配置螺旋排屑器或链式排屑机。

LM-1610 可选配测量系统

刀具测量系统:可增加选项配置刀具测量系统(用于标准主轴)。刀具长度测量传感器安置在工作台后端用工件测量装置:可增加选项配置工件找正和测量系统,含软硬件、刀柄、探针等,该系统可以准确地测量、找正工件的位置,自动修正工件坐标系;进行循环中的测量,监控工件的尺寸和位置,自动修正偏置量;实现点对点的测量。

LM-1610 其它配置说明

1、工作区域配照明灯,适应夜间工作。

2、机床配三色灯,提示程序运转、工作循环完成和故障报警三种信息。

3、X/Y/Z轴直线导轨均采用钢制护罩防护。

LM-1610 安装条件

a、温度

运行温度: 常温20±20℃保管搬运时: -30℃~50℃

b、湿度

连续:75%以下(不结露)

短时间:95%以下(不结露)

c、安装场所条件

1.不受外部振动影响。

2.不受腐蚀性气体影响。

3.避免阳光直射机床。

4.避免直接接触外界风、气及调温的冷、热风。

5.机床附近避免设置暖气等热源。

6.减少尘埃(避开铸件、焊接、钣金车间等)。

7.避免漏水、浸水。

8.避免电气噪音。

d、机床电源:3 相 AC380V±10%50Hz±1Hz。

LM-1610 机床标准规格参数

ITEM

Unit

LM-1610

行   程

Travel

X轴行程 X AXIS TRAVEL

mm

1000

Y轴行程 Y AXIS TRAVEL

mm

1050

Z轴行程 Z AXIS TRAVEL

mm

680

主 轴

Spindle

主轴转速 SPINDLE SPEED

rpm

6000

主轴锥度 SPINDLE TAPER

- -

BT-50

主轴鼻端至工作台距离SPINDLE NOSE TO TABLE SURFACE

mm

150-830

主轴中心至Y轴线轨距离DISTANCEFROMSPINDLE CENTER TO Y AXIS

mm

340

工作台

Workbench

工作台至立柱底 WORKBENCH TO THE BOTTOM PILLAR

mm

1000

工作台尺寸 WORKBENCH SIZE

mm

900*1700

工作台载重量 WORKBENCH LOAD

T

3

T型槽(槽数-尺寸x间距)T-SLOT SIZE(SLOT-NO.*SIZE*SPACING

mm

7-18*125

控制器

Controller

数控系统 NUMERICAL CONTROL SYSTEM

--

西门子828D

线轨规格

WIRE GAUGE SPECIFICATIONS

X/Y轴 X/Y AXIS

--

MR45B

Z 轴 Z AXIS

--

MR55B

丝杆规格

SCREW ROD SPECIFICATION

X 轴 X AXIS

--

R50*10

Y轴 Y AXIS

--

R50*10

Z轴 Z AXIS

--

R50*10

龙门

LONGMEN

龙门宽度LONGMEN WIDTH

mm

1050

颜色

Color

标准颜色 STANDARD COLOR

--

--

机床

Machine tool

机械重量 MACHINE WEIGHT

T

15

外形尺寸 OVERALL DIMENSIONS

mm


MECHANICAL EQUIPMENT
联系我们
东莞市中锋智能科技有限公司
联系地址:广东省东莞市常平镇田横路17号2栋1楼
联系邮箱:wangjie@zhongfengcnc.com
联系电话:0769-8382 6686   
销售咨询:135 5493 7658
官方网址:www.zfzncnc.com
姓名
*
电话
*
内容
*
验证码
 换一张
*
提交
扫描二维码关注
中锋智能公众号